爱上海北京验证论坛,成都品茶外卖推荐,海角.comhj3dc论坛的特色

HS系列外齿型转盘支承

  • 产品名称: HS系列外齿型转盘支承
  • 产品分类: 单排四点接触球式回转支承(HS系列)
  • 公司名称: 招远市金兴机械制造有限公司
  • 联系方式: 0535-8126299
  • 添加时间: 17/05/10
  • 二 维 码:

    手机购

    更方便

产品详情

HS系列外齿型-转盘轴承
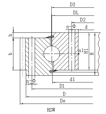
结构特点、性能、适用范围 
       单排四点接触球式转盘轴承由两个座圈组成,结构紧凑、重量轻、钢球与圆弧滚道四点接触,能同时承受轴向力、径向力和倾翻力矩。回转式输送机、焊接操作机、中小型起重机和挖掘机等工程机械均可选用。

序号

外齿式
DL 
mm

外型尺寸

安装尺寸

结构尺寸

齿轮参数

齿轮
圆周力

参考
重量
kg

D
mm

d
mm

H
mm

D1
mm

D2
mm

n

mm

n1
mm

D3
mm

d1
mm

H1
mm

h
mm

b
mm

x

m
mm

De
mm

z

调质
T 104N

1

HSW.25.625

725

525

80

685

565

18

18

3

626

624

68

12

60

1.4

5

751.9

146

5.2

100

HSW.25.625A

1.15

6

755.5

122

6.2

2

HSW.25.720

820

620

80

780

660

18

18

3

721

719

68

12

60

1.4

6

860.3

139

6.2

120

HSW.25.720A

1

8

861.1

104

8.3

3

HSW.30.820

940

705

95

893

749

24

20

4

821

818

83

12

70

1.4

6

980.6

159

7.2

210

HSW.30.820A

1

10

986.2

95

12.2

4

HSW.30.880

1000

760

95

956

800

24

20

4

881

878

83

12

70

1.15

8

1047.5

127

9.7

230

HSW.30.880A

1

10

1046.3

101

12.2

5

HSW.30.1020

1170

875

95

1120

930

24

22

4

1021

1018

80

15

70

1.4

8

1219.3

148

9.7

300

HSW.30.1020A

1.15

10

1219.2

118

12.2

6

HSW.30.1220

1365

1075

120

1310

1130

36

24

6

1221

1218

105

15

90

1.4

10

1424.9

138

15.7

450

HSW.30.1220A

1

12

1435.9

116

18.8

7

HSW.35.1250

1400

1090

120

1350

1150

36

26

6

1251

1248

105

15

90

-0.35

10

1443

143

15.7

520

HSW.35.1250A

1

12

1449.6

117

18.8

8

HSW.35.1435

1595

1278

120

1535

1335

36

26

6

1436

1433

105

15

90

1.15

12

1655.5

134

18.8

610

HSW.35.1435A

1

14

1661.2

115

21.9

9

HSW.35.1540

1720

1360

140

1660

1420

42

26

6

1541

1538

122

18

110

1.4

12

1780.8

144

23

732

HSW.35.1540A

1.15

14

1791.1

124

26.8

10

HSW.35.1700

1875

1525

140

1815

1585

42

29

6

1701

1698

122

18

110

1.15

14

1945.4

135

26.8

844

HSW.35.1700A

1.15

16

1950.8

118

30.5

11

HSW.40.1880

2100

1665

160

2030

1740

48

32

6

1881

1878

140

20

115

1.4

14

2189.8

152

27.8

1400

HSW.40.1880A

1.15

18

2194.6

118

35.8

12

HSW.40.2115

2325

1900

160

2245

1980

48

32

6

2116

2113

140

20

115

1.4

16

2406.5

146

31.9

1600

HSW.40.2115A

1.15

20

2418.4

117

40

13

HSW.40.2370

2600

2146

180

2520

2220

48

32

6

2371

2368

158

22

130

1.4

18

2707.3

146

40.7

2100

HSW.40.2370A

1.15

22

2704.4

119

49.7

14

HSW.40.2600

2835

2365

180

2750

2450

54

36

6

2601

2598

158

22

130

1.4

18

2941.7

159

37.6

2400

HSW.40.2600A

1.15

22

2946.9

130

45.9

15

HSW.50.2820

3085

2555

200

3000

2640

54

36

6

2822

2818

178

22

150

1.4

20

3188.4

155

52.2

3400

HSW.50.2820A

1.15

25

3198.4

124

65.3

16

HSW.50.3120

3400

2840

200

3310

2930

54

36

6

3122

3118

178

22

150

1.4

22

3507.2

155

57.4

4000

HSW.50.3120A

1.4

25

3509.6

136

65.3

17

HSW.50.3580

3920

3240

240

3820

3340

60

40

6

3582

3578

218

22

190

1.4

22

4036.1

179

72.7

6700

HSW.50.3580A

1.4

25

4035.6

157

82.6

18

HSW.50.4030

4370

3690

240

4270

3790

66

40

6

4032

4028

218

22

190

1.4

22

4520.6

201

53.6

7700

HSW.50.4030A

1.4

28

4522.4

157

68.2

19

HSW.50.4540

4860

4210

240

4760

4310

72

40

6

4542

4538

218

22

190

1.4

22

4983.1

222

72.1

8760

HSW.50.4540A

1.4

30

4992.9

162

99.1


注: 
1、n1为润滑油孔数,均布:油杯M10×1 JB/T7940.1-TB7940.2. 
2、安装孔n-Φ可改用螺孔;齿宽b可改为H-h。
3、表内齿轮圆周力为最大圆周力,额定圆周力取其1/2。
4、表内变位系数均为外齿式设计。


点击次数:   更新时间:17/05/10 09:35:05   【打印此页】   【关闭

联系我们

  • 地址:山东省烟台市招远市横掌路
  • 电话:0535-8126299
  • 传真:0535-8120396
  • 手机:张经理 18954556021
  • E-mail:jinxing8126299@126.com

扫一扫查看更多信息

招远市金兴机械制造有限公司?2019 Microsoft Corporation. All rights reserved. 鲁ICP备2023015502号-1

城市分站:主站   山东   浙江   湖南   安徽   河南   江苏   上海   湖北   四川   河北   天津   辽宁   广州   

网站地图 |  免责声明

主站蜘蛛池模板: 会理县| 台江县| 揭东县| 吉木乃县| 南岸区| 凌海市| 华宁县| 廊坊市| 康马县| 佳木斯市| 永德县| 客服| 克拉玛依市| 鹰潭市| 咸宁市| 平安县| 陕西省| 朝阳市| 奈曼旗| 兴安县| 五河县| 定结县| 杨浦区| 山东省| 宁远县| 大名县| 贡觉县| 永济市| 木里| 疏附县| 聊城市| 揭阳市| 左云县| 简阳市| 砀山县| 固安县| 阜阳市| 林甸县| 固阳县| 田阳县| 措勤县|