爱上海北京验证论坛,成都品茶外卖推荐,海角.comhj3dc论坛的特色

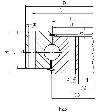
HS系列无齿型-回转支承

  • 产品名称: HS系列无齿型-回转支承
  • 产品分类: 单排四点接触球式回转支承(HS系列)
  • 公司名称: 招远市金兴机械制造有限公司
  • 联系方式: 0535-8126299
  • 添加时间: 17/05/10
  • 二 维 码:

    手机购

    更方便

产品详情

       HS系列单排球式回转支承是在原单排交叉滚子式结构回转支承的基础上改进形成,适用于工程、矿山、建筑及其他需要两部分相对旋转运动的机械连接部位。
       单排四点接触球式回转支承由两个座圈组成,结构紧凑、重量轻、钢球与圆弧滚道四点接触,能同时承受轴向力、径向力和倾翻力矩。回转式输送机、焊接操作机、中小型起重机和挖掘机等工程机械均可选用。



点击次数:   更新时间:17/05/10 09:24:05   【打印此页】   【关闭

联系我们

  • 地址:山东省烟台市招远市横掌路
  • 电话:0535-8126299
  • 传真:0535-8120396
  • 手机:张经理 18954556021
  • E-mail:jinxing8126299@126.com

扫一扫查看更多信息

招远市金兴机械制造有限公司?2019 Microsoft Corporation. All rights reserved. 鲁ICP备2023015502号-1

城市分站:主站   山东   浙江   湖南   安徽   河南   江苏   上海   湖北   四川   河北   天津   辽宁   广州   

网站地图 |  免责声明

主站蜘蛛池模板: 道孚县| 济源市| 刚察县| 囊谦县| 大安市| 湖州市| 翁牛特旗| 兴业县| 昆山市| 万盛区| 岢岚县| 丹东市| 巴林左旗| 滨海县| 华容县| 南平市| 定襄县| 绥宁县| 九台市| 德令哈市| 老河口市| 金秀| 额敏县| 资溪县| 富阳市| 双江| 玉门市| 塘沽区| 镇康县| 平顶山市| 磐安县| 焦作市| 环江| 白银市| 兰考县| 旬邑县| 普洱| 津南区| 宁陕县| 册亨县| 芜湖县|