
手机购
更方便
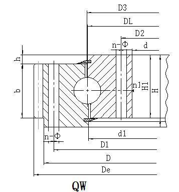
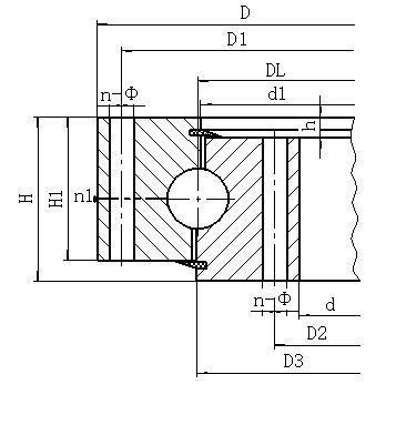
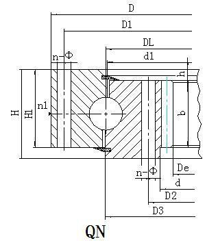
单排四点接触球式回转支承(Q系列)——内齿式
结构特点、性能、适用范围
单排四点接触球式回转支承由两个座圈组成,结构紧凑,重量轻,钢球与圆弧滚道四点接触,能同时承受轴向力,径向力和倾翻力矩,回转式输送机,焊接操作机,中小型起重机和挖掘机等工程机械均可选用。
序号
型号
安装孔尺寸
结构
齿轮参数
内齿式
H
Du
Dn
n
通孔A
螺孔B/C/D
n1油杯
h
B
m
内齿式x=+0.5
de
齿数z
重量
D
d
φ
d1
T
mm
mm
mm
mm
kg
1
QN.315.20
408
224
60
370
260
10
17
M16
24
2
10
40
3
207
70
34
QN.315.20A
4
200
51
35
2
QN.355.20
448
264
60
410
300
10
17
M16
24
2
10
40
3
246
84
39
QN.355.20A
4
240
61
40
3
QN.400.20
493
310
60
455
345
12
17
M16
24
2
10
40
4
288
73
44
QN.400.20A
5
280
57
46
4
QN.450.20
543
360
60
505
395
12
17
M16
24
2
10
40
4
336
85
50
QN.450.20A
5
330
67
52
5
QN.500.20
593
410
60
555
445
14
17
M16
24
2
10
40
5
385
78
55
QN.500.20A
6
378
64
57
6
QN.560.20
656
468
70
618
502
14
17
M16
30
2
10
50
4
440
111
76
QN.560.20A
5
435
88
77
7
QN.630.20
726
538
70
688
572
16
17
M16
30
2
10
50
4
512
129
84
QN.630.20A
5
505
102
86
8
QN.710.20
806
618
70
768
652
18
17
M16
30
2
10
50
5
585
118
97
QN.710.20A
6
582
98
97
9
QN.800.20
896
708
70
858
742
20
17
M16
30
2
10
50
6
672
113
110
QN.800.20A
8
664
84
111
10
QN.800.25
908
694
78
864
736
18
22
M20
36
2
10
58
6
654
110
142
QN.800.25A
8
648
82
142
11
QN.900.25
1008
794
78
964
836
20
22
M20
36
2
10
58
8
744
94
163
QN.900.25A
10
740
75
162
12
QN.1000.25
1108
894
78
1064
936
24
22
M20
36
2
10
58
8
848
107
178
QN.1000.25A
10
840
85
179
13
QN.1000.32
1124
880
90
1074
926
24
24
M22
40
2
10
70
8
832
105
230
QN.1000.32A
10
830
84
227
14
QN.1120.32
1244
1000
90
1194
1046
28
24
M22
40
4
10
70
10
940
95
263
QN.1120.32A
12
936
79
262
15
QN.1250.32
1374
1130
90
1324
1176
32
24
M22
40
4
10
70
10
1070
108
294
QN.1250.32A
12
1068
90
290
16
QN.1400.32
1524
1280
90
1474
1326
36
24
M22
40
4
10
70
12
1212
102
333
QN.1400.32A
14
1204
87
336
17
QN.1250.40
1394
1110
102
1336
1164
32
26
M24
45
4
12
80
10
1050
106
388
QN.1250.40A
12
1044
88
388
18
QN.1400.40
1544
1260
102
1486
1314
36
26
M24
45
4
12
80
12
1188
100
444
QN.1400.40A
14
1190
86
434
19
QN.1600.40
1744
1460
102
1686
1514
40
26
M24
45
4
12
80
12
1392
117
509
QN.1600.40A
14
1386
100
511
20
QN.1800.40
1944
1660
102
1886
1714
44
26
M24
45
4
12
80
14
1582
114
576
QN.1800.40A
16
1568
99
591
21
QN.1600.50
1766
1438
124
1704
1496
40
30
M27
50
4
12
100
12
1368
115
714
QN.1600.50A
14
1358
98
723
22
QN.1800.50
1966
1638
124
1904
1696
44
30
M27
50
4
12
100
14
1568
113
794
QN.1800.50A
16
1552
98
818
23
QN.2000.50
2166
1842
124
2104
1896
48
30
M27
50
6
12
100
16
1760
111
891
QN.2000.50A
18
1746
98
913
24
QN.2240.50
2406
2078
124
2344
2136
54
30
M27
50
6
12
100
16
1984
125
1044
QN.2240.50A
18
1980
111
1041
25
QN.2500.50
2666
2342
124
2604
2396
60
30
M27
50
6
12
100
18
2250
126
1132
QN.2500.50A
20
2240
113
1148
26
QN.2500.60
2696
2308
150
2626
2374
60
33
M30
56
6
14
122
18
2214
124
1621
QN.2500.60A
20
2200
111
1654
尺寸
数量
注:
1、n1为润滑油孔数,均布:油杯M10×1 JB/T7940.1-JB/T7940.2
2、安装孔n-Φ可改用螺孔;齿宽b可改为H-h。
3、表内齿轮圆周力为最大圆周力,额定圆周力取其1/2。
联系我们
扫一扫查看更多信息