爱上海北京验证论坛,成都品茶外卖推荐,海角.comhj3dc论坛的特色

Q系列外齿型转盘轴承

  • 产品名称: Q系列外齿型转盘轴承
  • 产品分类: 单排球式回转支承(Q系列)
  • 公司名称: 招远市金兴机械制造有限公司
  • 联系方式: 0535-8126299
  • 添加时间: 17/05/10
  • 二 维 码:

    手机购

    更方便

产品详情

Q系列外齿型转盘轴承
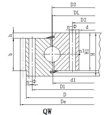
结构特点、性能、适用范围 
       单排四点接触球式回转支承由两个座圈组成,结构紧凑,重量轻,钢球与圆弧滚道四点接触,能同时承受轴向力,径向力和倾翻力矩,回转式输送机,焊接操作机,中小型起重机和挖掘机等工程机械均可选用。
       由于传递力的需要,回转支承其中一个套圈上通常制有齿。齿轮的热处理状态一般为正火或调质状态。齿表面也可按照用户的要求淬火处理,淬火硬度在HRC50~60,并且能够保证足够的深度。

序号

型号

外形尺寸

安装孔尺寸

结构
尺寸

齿轮参数

外齿式

H

Du

Dn

n

通孔A

螺孔B/C/D

n1油杯
数量

h

B

m

外齿式x=-0.5

De

齿数z

重量

D

d

φ

d1

T

mm

 

mm

 

mm

mm

 

kg

1

QW.315.20

406

222

60

370

260

10

17

M16

24

2

10

40

3

423

140

35

QW.315.20A

4

428

106

36

2

QW.355.20

446

262

60

410

300

10

17

M16

24

2

10

40

3

462

153

40

QW.355.20A

4

468

116

41

3

QW.400.20

490

307

60

455

345

12

17

M16

24

2

10

40

4

512

127

45

QW.400.20A

5

520

103

47

4

QW.450.20

540

357

60

505

395

12

17

M16

24

2

10

40

4

564

140

51

QW.450.20A

5

570

113

53

5

QW.500.20

590

407

60

555

445

14

17

M16

24

2

10

40

5

615

122

56

QW.500.20A

6

624

103

58

6

QW.560.20

654

464

70

618

502

14

17

M16

30

2

10

50

4

680

169

78

QW.560.20A

5

685

136

79

7

QW.630.20

724

534

70

688

572

16

17

M16

30

2

10

50

4

748

186

86

QW.630.20A

5

755

150

88

8

QW.710.20

804

614

70

768

652

18

17

M16

30

2

10

50

5

835

166

99

QW.710.20A

6

840

139

101

9

QW.800.20

894

704

70

858

742

20

17

M16

30

2

10

50

6

930

154

114

QW.800.20A

8

936

116

114

10

QW.800.25

904

692

78

864

736

18

22

M20

36

2

10

58

6

942

156

143

QW.800.25A

8

952

118

147

11

QW.900.25

1004

792

78

964

836

20

22

M20

36

2

10

58

8

1048

130

162

QW.900.25A

10

1060

105

168

12

QW.1000.25

1104

892

78

1064

936

24

22

M20

36

2

10

58

8

1152

143

182

QW.1000.25A

10

1160

115

185

13

QW.1000.32

1120

876

90

1074

926

24

24

M22

40

2

10

70

8

1160

144

227

QW.1000.32A

10

1170

116

232

14

QW.1120.32

1240

996

90

1194

1046

28

24

M22

40

4

10

70

10

1300

129

272

QW.1120.32A

12

1308

108

275

15

QW.1250.32

1370

1126

90

1324

1176

32

24

M22

40

4

10

70

10

1430

142

302

QW.1250.32A

12

1440

119

309

16

QW.1400.32

1520

1276

90

1474

1326

36

24

M22

40

4

10

70

12

1584

131

337

QW.1400.32A

14

1596

113

347

17

QW.1250.40

1390

1108

102

1336

1164

32

26

M24

45

4

12

80

10

1450

144

396

QW.1250.40A

12

1452

120

392

18

QW.1400.40

1540

1258

102

1486

1314

36

26

M24

45

4

12

80

12

1608

133

448

QW.1400.40A

14

1610

114

443

19

QW.1600.40

1740

1458

102

1686

1514

40

26

M24

45

4

12

80

12

1812

150

528

QW.1600.40A

14

1820

129

534

20

QW.1800.40

1940

1658

102

1886

1714

44

26

M24

45

4

12

80

14

2016

143

583

QW.1800.40A

16

2032

126

607

21

QW.1600.50

1762

1434

124

1704

1496

40

30

M27

50

4

12

100

12

1824

151

714

QW.1600.50A

14

1834

130

727

22

QW.1800.50

1964

1634

124

1904

1696

44

30

M27

50

4

12

100

14

2044

145

845

QW.1800.50A

16

2048

127

843

23

QW.2000.50

2162

1834

124

2104

1896

48

30

M27

50

6

12

100

16

2240

139

912

QW.2000.50A

18

2250

124

927

24

QW.2240.50

2402

2074

124

2344

2136

54

30

M27

50

6

12

100

16

2480

154

1020

QW.2240.50A

18

2502

138

1078

25

QW.2500.50

2662

2334

124

2604

2396

60

30

M27

50

6

12

100

18

2754

152

1171

QW.2500.50A

20

2760

137

1175

26

QW.2500.60

2696

2304

150

2626

2374

60

33

M30

56

6

14

122

18

2790

154

1677

QW.2500.60A

20

2800

139

1701


注: 
1、n1为润滑油孔数,均布:油杯M10×1 JB/T7940.1-JB/T7940.2
2、安装孔n-Φ可改用螺孔;齿宽b可改为H-h。
3、表内齿轮圆周力为最大圆周力,额定圆周力取其1/2。


以上是关于Q系列外齿型转盘轴承价格,Q系列外齿型转盘轴承厂家,Q系列外齿型转盘轴承哪个好,Q系列外齿型转盘轴承批发,Q系列外齿型转盘轴承型号的详细介绍
地区产品: 山东Q系列外齿型转盘轴承,浙江Q系列外齿型转盘轴承,湖南Q系列外齿型转盘轴承,安徽Q系列外齿型转盘轴承,河南Q系列外齿型转盘轴承江苏Q系列外齿型转盘轴承,上海Q系列外齿型转盘轴承,湖北Q系列外齿型转盘轴承四川Q系列外齿型转盘轴承河北Q系列外齿型转盘轴承,天津Q系列外齿型转盘轴承,辽宁Q系列外齿型转盘轴承广州Q系列外齿型转盘轴承
点击次数:   更新时间:17/05/10 08:32:05   【打印此页】   【关闭

联系我们

  • 地址:山东省烟台市招远市横掌路
  • 电话:0535-8126299
  • 传真:0535-8120396
  • 手机:张经理 18954556021
  • E-mail:jinxing8126299@126.com

扫一扫查看更多信息

招远市金兴机械制造有限公司?2019 Microsoft Corporation. All rights reserved. 鲁ICP备2023015502号-1

城市分站:主站   山东   浙江   湖南   安徽   河南   江苏   上海   湖北   四川   河北   天津   辽宁   广州   

网站地图 |  免责声明

主站蜘蛛池模板: 儋州市| 蒙阴县| 黔西县| 上高县| 澳门| 百色市| 安达市| 安丘市| 金湖县| 太保市| 宜都市| 分宜县| 敦化市| 钟山县| 岢岚县| 永川市| 叶城县| 亚东县| 灵寿县| 德州市| 志丹县| 安阳市| 鹰潭市| 小金县| 孟津县| 富民县| 重庆市| 伊吾县| 额尔古纳市| 西畴县| 温州市| 芜湖市| 屏边| 宁远县| 玉山县| 黑河市| 巴东县| 襄樊市| 丽江市| 汝南县| 凯里市|