爱上海北京验证论坛,成都品茶外卖推荐,海角.comhj3dc论坛的特色

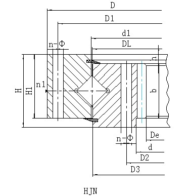
HJ系列内齿型回转支承

  • 产品名称: HJ系列内齿型回转支承
  • 产品分类: 单排交叉滚柱式回转支承(HJ系列)
  • 公司名称: 招远市金兴机械制造有限公司
  • 联系方式: 0535-8126299
  • 添加时间: 17/05/10
  • 二 维 码:

    手机购

    更方便

产品详情

HJ系列内齿型回转支承
结构特点、性能、适用范围 
       单排交叉滚柱式回转支承,由两个座圈组成,结构紧凑、重量轻、制造精度高,装配间隙小,对安装精度要求高,滚柱为1:1交叉排列,能同时承受轴向力,倾翻力矩和较大的径向力,被广泛地用于起重运输、工程机械和军工产品上。

序号

内齿式
DL
mm

外型尺寸

安装尺寸

结构尺寸

齿轮参数

齿轮
圆周力

参考
重量
kg

D
mm

d
mm

H
mm

D1
mm

D2
mm

n

mm

n1
mm

D3
mm

d1
mm

H1
mm

h
mm

b
mm

x

m
mm

De
mm

z

调质
T 104N

1

HJN.20.625

725

525

80

685

565

18

18

3

627

623

68

12

60

1.4

5

498.8

101

5.2

100

HJN.20.625A

1.15

6

496.7

84

6.2

2

HJN.20.720

820

620

80

780

660

18

18

3

722

718

68

12

60

1.4

6

586.6

99

6.2

120

HJN.20.720A

1

8

582.3

74

8.3

3

HJN.30.820

940

705

95

893

749

24

20

4

822

818

83

12

70

1.4

6

664.5

112

7.2

210

HJN.30.820A

1

10

658

67

12.2

4

HJN.30.880

1000

760

95

956

800

24

20

4

882

878

83

12

70

1.15

8

718.2

91

9.7

230

HJN.30.880A

1

10

707.9

72

12.2

5

HJN.30.1020

1170

875

95

1120

930

24

22

4

1022

1018

80

15

70

1.4

8

830.1

105

9.7

300

HJN.30.1020A

1.15

10

827.8

84

12.2

6

HJN.36.1220

1365

1075

120

1310

1130

36

24

6

1222

1218

105

15

90

1.4

10

1027.8

104

15.7

450

HJN.36.1220A

1

12

1017.3

86

18.8

7

HJN.36.1250

1400

1090

120

1350

1150

36

26

6

1252

1248

105

15

90

-0.35

10

1037

105

15.7

520

HJN.36.1250A

1

12

1028.8

87

18.8

8

HJN.36.1435

1595

1278

120

1535

1335

36

26

6

1437

1433

105

15

90

1.15

12

1221.2

1.3

18.8

610

HJN.36.1435A

1

14

1214.8

88

21.9

9

HJN.45.1540

1720

1360

140

1660

1420

42

26

6

1543

4537

122

18

110

1.4

12

1293.1

109

23

732

HJN.45.1540A

1.15

14

1284.8

93

26.8

10

HJN.45.1700

1875

1525

140

1815

1585

42

29

6

1703

1697

122

18

110

1.15

14

1452.7

105

26.8

844

HJN.45.1700A

1.15

16

1452.3

92

30.5

11

HJN.45.1880

2100

1665

160

2030

1740

48

32

6

1883

1876

140

20

115

1.4

14

1592.6

115

27.8

1400

HJN.45.1880A

1.15

18

1579.9

89

35.8

12

HJN.45.2115

2325

1900

160

2245

1980

48

32

6

2118

2112

140

20

115

1.4

16

1804.1

114

31.9

1600

HJN.45.2115A

1.15

20

1795.4

91

40

13

HJN.45.2370

2600

2146

180

2520

2220

48

32

6

2373

2367

158

22

130

1.4

18

2065.6

116

40.7

2100

HJN.45.2370A

1.15

22

2040.9

94

49.7

14

HJN.45.2600

2835

2365

180

2750

2450

54

36

6

2603

2597

158

22

130

1.4

18

2263.5

127

37.6

2400

HJN.45.2600A

1.15

22

2260.8

104

45.9

15

HJN.50.2820

3085

2555

200

3000

2640

54

36

6

2823

2817

178

22

150

1.4

20

2455

124

52.2

3400

HJN.50.2820A

1.15

25

2444.1

99

65.3

16

HJN.50.3120

3400

2840

200

3310

2930

54

36

6

3123

3117

178

22

150

1.4

22

2722.5

125

57.4

4000

HJN.50.3120A

1.4

25

2719

110

65.3

17

HJN.50.3580

3920

3240

240

3820

3340

60

40

6

3583

3577

218

22

190

1.4

22

3118.4

143

72.7

6700

HJN.50.3580A

1.4

25

3118.8

126

82.6

18

HJN.50.4030

4370

3690

240

4270

3790

66

40

6

4033

4027

218

22

190

1.4

22

3558.3

163

53.6

7700

HJN.50.4030A

1.4

28

3549

128

68.2

19

HJN.50.4540

4860

4210

240

4760

4310

72

40

6

4543

4537

218

22

190

1.4

22

4042.2

185

72.1

8760

HJN.50.4540A

1.4

30

4042.4

136

99.1


注: 
1、n1为润滑油孔数,均布:油杯M10×1 JB/T7940.1-JB/T7940.2. 
2、安装孔n-Φ可改用螺孔;齿宽b可改为H-h。
3、表内齿轮圆周力为最大圆周力,额定圆周力取其1/2。
4、内齿变位系数均为+0.35。


点击次数:   更新时间:17/05/10 09:47:05   【打印此页】   【关闭

联系我们

  • 地址:山东省烟台市招远市横掌路
  • 电话:0535-8126299
  • 传真:0535-8120396
  • 手机:张经理 18954556021
  • E-mail:jinxing8126299@126.com

扫一扫查看更多信息

招远市金兴机械制造有限公司?2019 Microsoft Corporation. All rights reserved. 鲁ICP备2023015502号-1

城市分站:主站   山东   浙江   湖南   安徽   河南   江苏   上海   湖北   四川   河北   天津   辽宁   广州   

网站地图 |  免责声明

主站蜘蛛池模板: 南陵县| 伊吾县| 黔西| 贵港市| 阳新县| 白玉县| 南靖县| 丁青县| 康乐县| 屏东县| 尤溪县| 太保市| 措美县| 昂仁县| 都江堰市| 隆德县| 勐海县| 张家界市| 平顺县| 平南县| 麻栗坡县| 锡林浩特市| 鹿泉市| 沂水县| 共和县| 刚察县| 金秀| 绥阳县| 广州市| 宜宾县| 孝感市| 屯门区| 青川县| 丰镇市| 噶尔县| 泰和县| 托克逊县| SHOW| 二连浩特市| 来凤县| 扎鲁特旗|