爱上海北京验证论坛,成都品茶外卖推荐,海角.comhj3dc论坛的特色

HJ系列外齿型回转支承

  • 产品名称: HJ系列外齿型回转支承
  • 产品分类: 单排交叉滚柱式回转支承(HJ系列)
  • 公司名称: 招远市金兴机械制造有限公司
  • 联系方式: 0535-8126299
  • 添加时间: 17/05/10
  • 二 维 码:

    手机购

    更方便

产品详情

HJ系列外齿型回转支承
结构特点、性能、适用范围 
       单排交叉滚柱式回转支承,由两个座圈组成,结构紧凑、重量轻、制造精度高,装配间隙小,对安装精度要求高,滚柱为1:1交叉排列,能同时承受轴向力,倾翻力矩和较大的径向力,被广泛地用于起重运输、工程机械和军工产品上。
       回转支承轴承广泛用于起重机械、采掘机械、建筑机械、港口机械、船舶机具以及高精度的雷达机械和导弹发射架等设备的大型回转装置上。同时也可以根据用户的具体要求设计、开发、生产各种特殊结构回转支承轴承。

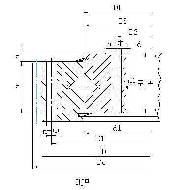
序号

外齿式
DL
mm

外型尺寸

安装尺寸

结构尺寸

齿轮参数

齿轮
圆周力

参考
重量
kg

D
mm

d
mm

H
mm

D1
mm

D2
mm

n

mm

n1
mm

D3
mm

d1
mm

H1
mm

h
mm

b
mm

x

m
mm

De
mm

z

调质
T 104N

1

HJW.20.625

725

525

80

685

565

18

18

3

627

623

68

12

60

1.4

5

751.9

146

5.2

100

HJW.20.625A

1.15

6

755.5

122

6.2

2

HJW.20.720

820

620

80

780

660

18

18

3

722

718

68

12

60

1.4

6

860.3

139

6.2

120

HJW.20.720A

1

8

861.1

104

8.3

3

HJW.30.820

940

705

95

893

749

24

20

4

822

818

83

12

70

1.4

6

980.6

159

7.2

210

HJW.30.820A

1

10

986.2

95

12.2

4

HJW.30.880

1000

760

95

956

800

24

20

4

882

878

83

12

70

1.15

8

1047.5

127

9.7

230

HJW.30.880A

1

10

1046.3

101

12.2

5

HJW.30.1020

1170

875

95

1120

930

24

22

4

1022

1018

80

15

70

1.4

8

1219.3

148

9.7

300

HJW.30.1020A

1.15

10

1219.2

118

12.2

6

HJW.36.1220

1365

1075

120

1310

1130

36

24

6

1222

1218

105

15

90

1.4

10

1424.9

138

15.7

450

HJW.36.1220A

1

12

1435.9

116

18.8

7

HJW.36.1250

1400

1090

120

1350

1150

36

26

6

1252

1248

105

15

90

-0.35

10

1443

143

15.7

520

HJW.36.1250A

1

12

1449.6

117

18.8

8

HJW.36.1435

1595

1278

120

1535

1335

36

26

6

1437

1433

105

15

90

1.15

12

1655.5

134

18.8

610

HJW.36.1435A

1

14

1661.2

115

21.9

9

HJW.45.1540

1720

1360

140

1660

1420

42

26

6

1543

4537

122

18

110

1.4

12

1780.8

144

23

732

HJW.45.1540A

1.15

14

1791.1

124

26.8

10

HJW.45.1700

1875

1525

140

1815

1585

42

29

6

1703

1697

122

18

110

1.15

14

1945.4

135

26.8

844

HJW.45.1700A

1.15

16

1950.8

118

30.5

11

HJW.45.1880

2100

1665

160

2030

1740

48

32

6

1883

1876

140

20

115

1.4

14

2189.8

152

27.8

1400

HJW.45.1880A

1.15

18

2194.6

118

35.8

12

HJW.45.2115

2325

1900

160

2245

1980

48

32

6

2118

2112

140

20

115

1.4

16

2406.5

146

31.9

1600

HJW.45.2115A

1.15

20

2418.4

117

40

13

HJW.45.2370

2600

2146

180

2520

2220

48

32

6

2373

2367

158

22

130

1.4

18

2707.3

146

40.7

2100

HJW.45.2370A

1.15

22

2704.4

119

49.7

14

HJW.45.2600

2835

2365

180

2750

2450

54

36

6

2603

2597

158

22

130

1.4

18

2941.7

159

37.6

2400

HJW.45.2600A

1.15

22

2946.9

130

45.9

15

HJW.50.2820

3085

2555

200

3000

2640

54

36

6

2823

2817

178

22

150

1.4

20

3188.4

155

52.2

3400

HJW.50.2820A

1.15

25

3198.4

124

65.3

16

HJW.50.3120

3400

2840

200

3310

2930

54

36

6

3123

3117

178

22

150

1.4

22

3507.2

155

57.4

4000

HJW.50.3120A

1.4

25

3509.6

136

65.3

17

HJW.50.3580

3920

3240

240

3820

3340

60

40

6

3583

3577

218

22

190

1.4

22

4036.1

179

72.7

6700

HJW.50.3580A

1.4

25

4035.6

157

82.6

18

HJW.50.4030

4370

3690

240

4270

3790

66

40

6

4033

4027

218

22

190

1.4

22

4520.6

201

53.6

7700

HJW.50.4030A

1.4

28

4522.4

157

68.2

19

HJW.50.4540

4860

4210

240

4760

4310

72

40

6

4543

4537

218

22

190

1.4

22

4983.1

222

72.1

8760

HJW.50.4540A

1.4

30

4992.9

162

99.1

注: 
1、n1为润滑油孔数,均布:油杯M10×1 JB/T7940.1-JB/T7940.2. 
2、安装孔n-Φ可改用螺孔;齿宽b可改为H-h。
3、表内齿轮圆周力为最大圆周力,额定圆周力取其1/2。
4、表内变位系数均为外齿式设计。


点击次数:   更新时间:17/05/10 09:44:05   【打印此页】   【关闭

联系我们

  • 地址:山东省烟台市招远市横掌路
  • 电话:0535-8126299
  • 传真:0535-8120396
  • 手机:张经理 18954556021
  • E-mail:jinxing8126299@126.com

扫一扫查看更多信息

招远市金兴机械制造有限公司?2019 Microsoft Corporation. All rights reserved. 鲁ICP备2023015502号-1

城市分站:主站   山东   浙江   湖南   安徽   河南   江苏   上海   湖北   四川   河北   天津   辽宁   广州   

网站地图 |  免责声明

主站蜘蛛池模板: 平果县| 耿马| 巴塘县| 双流县| 娄烦县| 河北省| 吐鲁番市| 八宿县| 鹤峰县| 错那县| 唐河县| 铁岭市| 敦煌市| 苏尼特右旗| 墨玉县| 邮箱| 余江县| 肥乡县| 湖口县| 桐梓县| 东乌珠穆沁旗| 杭锦旗| 阳春市| 张家口市| 临武县| 宾阳县| 招远市| 平遥县| 东源县| 金川县| 瓦房店市| 洮南市| 北海市| 明水县| 剑川县| 通化县| 鄱阳县| 梁山县| 平凉市| 开阳县| 海城市|