爱上海北京验证论坛,成都品茶外卖推荐,海角.comhj3dc论坛的特色

11系列内齿型回转支承

  • 产品名称: 11系列内齿型回转支承
  • 产品分类: 单排交叉滚柱式回转支承(11系列)
  • 公司名称: 招远市金兴机械制造有限公司
  • 联系方式: 0535-8126299
  • 添加时间: 17/05/10
  • 二 维 码:

    手机购

    更方便

产品详情

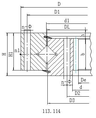
单排交叉滚柱式内齿型回转支承
结构特点、性能、适用范围 
       单排交叉滚柱式回转支承,由两个座圈组成,结构紧凑、重量轻、制造精度高,装配间隙小,对安装精度要求高,滚柱为1:1交叉排列,能同时承受轴向力,倾翻力矩和较大的径向力,被广泛地用于起重运输、工程机械和军工产品上。


序号

内齿式
DL
mm

外型尺寸

安装尺寸

结构尺寸

齿轮参数

齿轮圆周力

参考
重量
kg

D
mm

d
mm

H
mm

D1
mm

D2 
mm

n

mm

dm
mm

L
mm

n1
mm

D3
mm

d1
mm

H1
mm

h
mm

b
mm

x

m
mm

De 
mm

z

正火
Z 104N

调质
T 104N

1

113.25.500

602

398

75

566

434

20

18

M16

32

4

498

502

65

10

60

0.5

5

367

74

3.7

5.2

80

114.25.500

6

368.4

62

4.5

6.2

2

113.25.560

662

458

75

626

494

20

18

M16

32

4

558

562

65

10

60

0.5

5

427

86

3.7

5.2

90

114.25.560

6

428.4

72

4.5

6.2

3

113.25.630

732

528

75

696

564

24

18

M16

32

4

628

632

65

10

60

0.5

6

494.4

83

4.5

6.2

100

114.25.630

8

491.2

62

6

8.3

4

113.25.710

812

608

75

776

644

24

18

M16

32

4

708

712

65

10

60

0.5

6

572.4

96

4.5

6.2

110

114.25.710

8

571.2

72

6

8.3

5

113.28.800

922

678

82

878

722

30

22

M20

40

6

798

802

72

10

65

0.5

8

635.2

80

6.5

9.1

170

114.28.800

10

634

64

8.1

11.4

6

113.28.900

1022

778

82

978

822

30

22

M20

40

6

898

902

72

10

65

0.5

8

739.2

93

6.5

9.1

190

114.28.900

10

734

74

8.1

11.4

7

113.28.1000

1122

878

82

1078

922

36

22

M20

40

6

998

1002

72

10

65

0.5

10

824

83

8.1

11.4

210

114.28.1000

12

820.8

69

9.7

13.6

8

113.28.1120

1242

998

82

1198

1042

36

22

M20

40

6

1118

1122

72

10

65

0.5

10

944

95

8.1

11.4

230

114.28.1120

12

940.8

79

9.7

13.6

9

113.32.1250

1390

1110

91

1337

1163

40

26

M24

48

5

1248

1252

81

10

75

0.5

12

1048.8

88

11.3

15.7

350

114.32.1250

14

1041.6

75

13.2

18.2

10

113.32.1400

1540

1260

91

1487

1313

40

26

M24

48

5

1398

1402

81

10

75

0.5

12

1192.8

100

11.3

15.7

400

114.32.1400

14

1195.6

86

13.2

18.2

11

113.32.1600

1740

1460

91

1687

1513

45

26

M24

48

5

1598

1602

81

10

75

0.5

14

1391.6

100

13.2

18.2

440

114.32.1600

16

1382.4

87

15.1

22.4

12

113.32.1800

1940

1660

91

1887

1713

45

26

M24

48

5

1798

1802

81

10

75

0.5

14

1573.6

113

13.2

18.2

500

114.32.1800

16

1574.4

99

15.1

22.4

13

113.40.2000

2178

1825

112

2110

1891

48

33

M30

60

8

1997

2003

100

12

90

0.5

16

1734.4

109

18.1

25

900

114.40.2000

18

1735.2

97

20.3

28.1

14

113.40.2240

2418

2065

112

2350

2131

48

33

M30

60

8

2237

2243

100

12

90

0.5

16

1990.4

125

18.1

25

1000

114.40.2240

18

1987.2

111

20.3

28.1

15

113.40.2500

2678

2325

112

2610

2391

56

33

M30

60

8

2497

2503

100

12

90

0.5

18

2239.2

125

20.3

28.1

1100

114.40.2500

20

2228

112

22.6

31.3

16

113.40.2800

2978

2625

112

2910

2691

56

33

M30

60

8

2797

2803

100

12

90

0.5

18

2527.2

141

20.3

28.1

1250

114.40.2800

20

2528

127

22.6

31.3

17

113.50.3150

3376

2922

134

3286

3014

56

45

M42

84

8

3147

3153

122

12

110

0.5

20

2828

142

27.6

38.3

2150

114.50.3150

22

2824.8

129

30.4

42.1

18

113.50.3550

3776

3322

134

3686

3414

56

45

M42

84

8

3547

3553

122

12

110

0.5

20

3228

162

30.4

38.3

2470

114.50.3550

22

3220.8

147

30.4

42.1

19

113.50.4000

4226

3772

134

4136

3864

60

45

M42

84

10

3997

4003

122

12

110

0.5

22

3660.8

167

30.4

42.1

2800

114.50.4000

25

3660

147

34.5

47.8

20

113.50.4500

4726

4272

134

4636

4364

60

45

M42

84

10

4497

4503

122

12

110

0.5

22

4166.8

190

30.4

42.1

3100

114.50.4500

25

4160

167

34.5

47.8


以上是关于11系列内齿型回转支承价格,11系列内齿型回转支承厂家,11系列内齿型回转支承哪个好,11系列内齿型回转支承批发,11系列内齿型回转支承型号的详细介绍
地区产品: 山东11系列内齿型回转支承,浙江11系列内齿型回转支承湖南11系列内齿型回转支承安徽11系列内齿型回转支承,河南11系列内齿型回转支承,江苏11系列内齿型回转支承,上海11系列内齿型回转支承湖北11系列内齿型回转支承四川11系列内齿型回转支承河北11系列内齿型回转支承,天津11系列内齿型回转支承,辽宁11系列内齿型回转支承广州11系列内齿型回转支承
点击次数:   更新时间:17/05/10 10:30:05   【打印此页】   【关闭

联系我们

  • 地址:山东省烟台市招远市横掌路
  • 电话:0535-8126299
  • 传真:0535-8120396
  • 手机:张经理 18954556021
  • E-mail:jinxing8126299@126.com

扫一扫查看更多信息

招远市金兴机械制造有限公司?2019 Microsoft Corporation. All rights reserved. 鲁ICP备2023015502号-1

城市分站:主站   山东   浙江   湖南   安徽   河南   江苏   上海   湖北   四川   河北   天津   辽宁   广州   

网站地图 |  免责声明

主站蜘蛛池模板: 富蕴县| 潞西市| 罗山县| 南丹县| 小金县| 安多县| 浦县| 贵南县| 佛山市| 雅安市| 苏尼特右旗| 广宗县| 开封县| 宣城市| 海门市| 建湖县| 定结县| 寿宁县| 集贤县| 威远县| 万年县| 全椒县| 固原市| 寻乌县| 兰州市| 寿阳县| 突泉县| 民权县| 那坡县| 扎囊县| 甘肃省| 商南县| 丁青县| 天长市| 柳江县| 会理县| 和田县| 区。| 绥化市| 延津县| 木兰县|